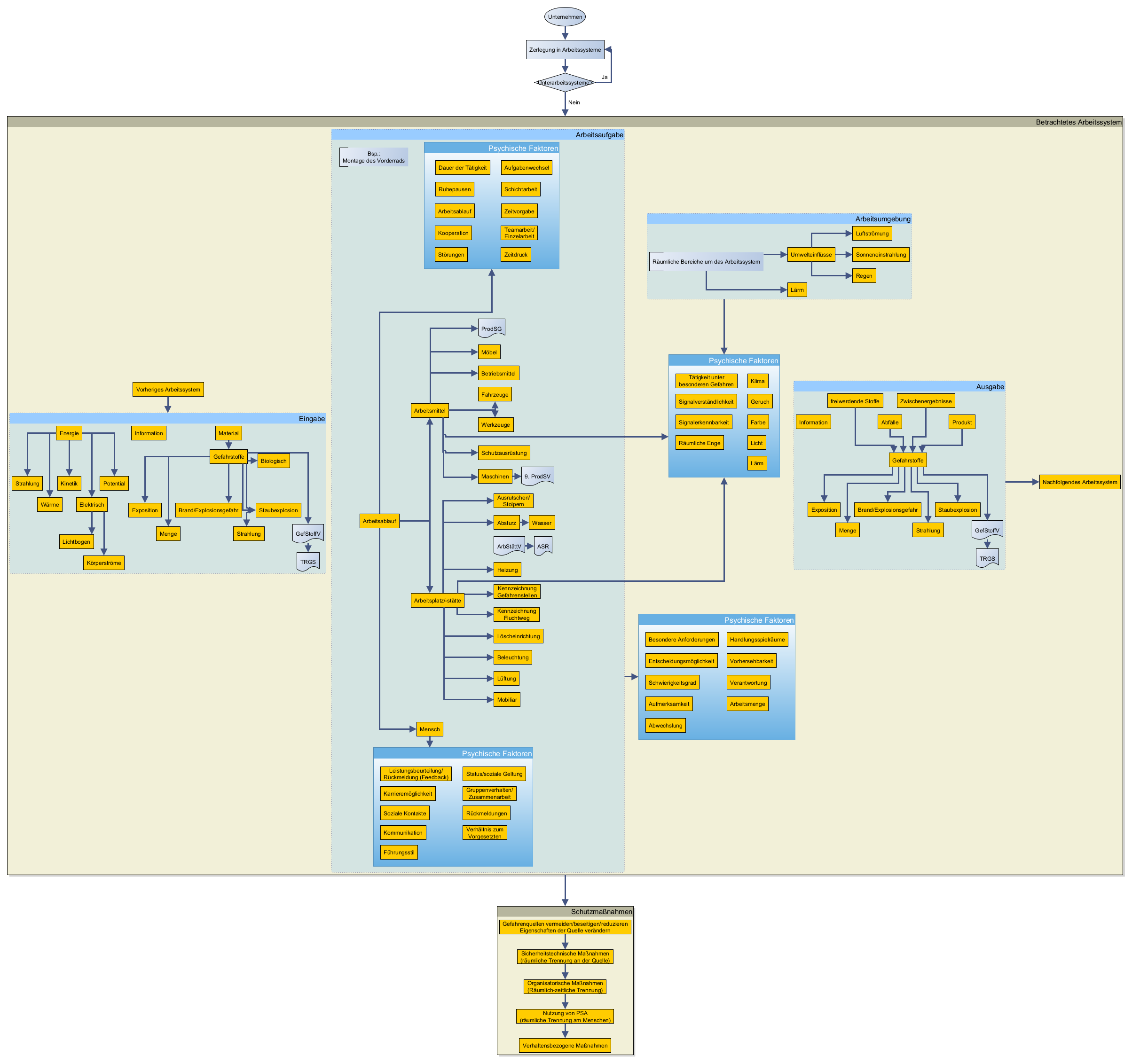
Unternehmen
Zerlegung in Arbeitssysteme
Unterarbeitssysteme?
Betrachtetes Arbeitssystem
Nachfolgendes Arbeitssystem
Vorheriges Arbeitssystem
Arbeitsumgebung
Räumliche Bereiche um das Arbeitssystem
Lärm
Umwelteinflüsse
Sonneneinstrahlung
Regen
Luftströmung
Arbeitsaufgabe
Bsp.:
Montage des Vorderrads
Mensch
Arbeitsmittel
Arbeitsplatz/-stätte
Arbeitsablauf
Psychische Faktoren
Dauer der Tätigkeit
Ruhepausen
Schichtarbeit
Aufgabenwechsel
Arbeitsablauf
Zeitvorgabe
Zeitdruck
Störungen
Kooperation
Teamarbeit/
Einzelarbeit
Psychische Faktoren
Soziale Kontakte
Gruppenverhalten/
Zusammenarbeit
Verhältnis zum
Vorgesetzten
Rückmeldungen
Führungsstil
Status/soziale Geltung
Kommunikation
Karrieremöglichkeit
Leistungsbeurteilung/
Rückmeldung (Feedback)
Maschinen
Schutzausrüstung
Werkzeuge
Fahrzeuge
Betriebsmittel
Möbel
Mobiliar
Beleuchtung
Lüftung
Löscheinrichtung
Kennzeichnung
Fluchtweg
Kennzeichnung
Gefahrenstellen
Heizung
ASR
ArbStättV
ProdSG
9. ProdSV
Absturz
Ausrutschen/
Stolpern
Wasser
Ausgabe
Gefahrstoffe
Staubexplosion
Exposition
Menge
Brand/Explosionsgefahr
Strahlung
freiwerdende Stoffe
Abfälle
Zwischenergebnisse
Information
Produkt
GefStoffV
TRGS
Eingabe
Energie
Material
Information
Strahlung
Wärme
Kinetik
Potential
Elektrisch
Gefahrstoffe
Staubexplosion
Exposition
Menge
Brand/Explosionsgefahr
Strahlung
GefStoffV
TRGS
Lichtbogen
Körperströme
Biologisch
Psychische Faktoren
Aufmerksamkeit
Abwechslung
Vorhersehbarkeit
Arbeitsmenge
Schwierigkeitsgrad
Handlungsspielräume
Verantwortung
Entscheidungsmöglichkeit
Besondere Anforderungen
Psychische Faktoren
Signalerkennbarkeit
Signalverständlichkeit
Tätigkeit unter
besonderen Gefahren
Räumliche Enge
Licht
Klima
Lärm
Farbe
Geruch
Schutzmaßnahmen
Gefahrenquellen vermeiden/beseitigen/reduzieren
Eigenschaften der Quelle verändern
Sicherheitstechnische Maßnahmen
(räumliche Trennung an der Quelle)
Organisatorische Maßnahmen
(Räumlich-zeitliche Trennung)
Nutzung von PSA
(räumliche Trennung am Menschen)
Verhaltensbezogene Maßnahmen
Ja
Nein